摘要:文章介紹了艾默生公司變頻器EV2000系列在鋼廠璇流井恒液位變頻節能控制中的應用。
Abstract: Adoption of EV2000 inverter of Emerson in liquid level control
關鍵詞:變頻器 超聲波液位儀 PID恒液位控制 數傳電臺
前言:
包鋼帶鋼廠璇流井水系統是為軋線供生產用水,整個水系統是循環運行的。為保證璇流井內水位保證基本平衡,通過5#泵(110KW)將水池內循環水再抽到外面,防止水溢出。由于原有系統采用軟啟動啟動,不能調節轉速,水位的控制依靠人為值守,來通過開閥和關閥來控制。否則在低液位會造成水泵抽真空而損傷泵體(氣蝕);高液位則會淹沒水泵房造成停電事故。為此,我們設計變頻恒液位控制系統,液位檢測采用超聲波液位器(百特公司),通過變頻器內部PID構成液位閉環,實現液位的自動恒定控制。
1、變頻恒液位控制系統構成
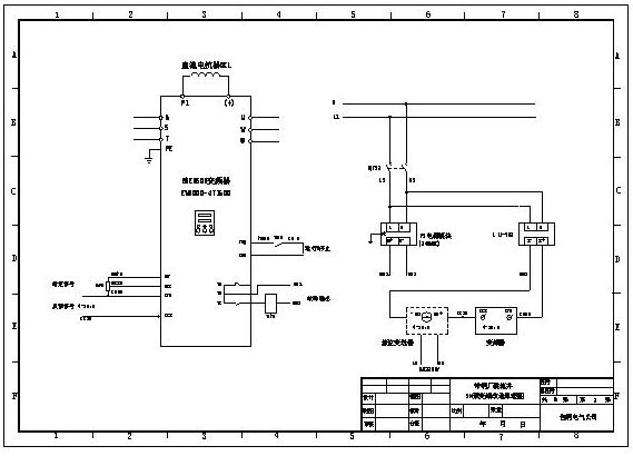
系統水泵電機為110KW,四級,轉速1480r/min。設計采用EV2000-4T1100P系列通用變頻器作為水泵電機控制核心。液位檢測采用百特工控公司生產FBSON-Y-05-N系列超聲波物位檢測儀,供電電源為AC220V,一體式安裝。量程最大可達到5米,實際檢測水位最高1.85米。系統原理圖附圖一至三。
采用一臺EC20-1006BRA作簡單的繼電連鎖,除了和舊系統進行連鎖(互鎖),還有變頻器的簡單啟動和停止及報警。本系統還另外裝有一臺EC20-1006BRA,通過串口與一臺數傳電臺相通訊(MODBUS),來實現和另外一個水泵房(凈環泵房)實現連鎖。當璇流井有高液位報警時,通過PLC及數傳電臺傳送到凈環泵房,由操作人員確定水泵的啟動和停止(由于二者距離太遠,且不適合電纜敷設,所以采用無線數傳的方式)。 其中璇流井內PLC設置為主站,凈環內PLC為從站。數傳電臺采用深圳科立訊生產的PT6080無線數傳電臺是利用先進的單片機技術,無線射頻技術,數字處理技術設計的功率較大,體積較小的模塊式半雙工數傳電臺,采用SMT新工藝,選用高質量的元器件。抗干擾能力強,精致堅固,結構緊湊,安裝方便。數話兼容,數傳可優先。RS232、RS485及TTL多種接口可供選擇,適應面寬。參見下面原理圖:


|
輸入 |
額定電壓;頻率 |
三相,380V~440V;50Hz/60Hz |
|
允許電壓工作范圍 |
電壓:320V~460V;電壓失衡率:<3%;頻率:±5% | |
|
輸出 |
額定電壓 |
380V |
|
頻率 |
0Hz~650Hz | |
|
過載能力 |
G型:150%額定電流1分鐘,200%額定電流0.5秒; P型:110%額定電流1分鐘;150%額定電流1秒 | |
|
主要控制性能 |
調制方式 |
磁通矢量PWM調制 |
|
調速范圍 |
1:100 | |
|
起動轉矩 |
0.50Hz時180%額定轉矩 | |
|
運行轉速穩態精度 |
≤±0.5%額定同步轉速 | |
|
頻率精度 |
數字設定:最高頻率×±0.01%;模擬設定:最高頻率×±0.2% | |
|
頻率分辨率 |
數字設定:0.01Hz;模擬設定:最高頻率×0.1% | |
|
轉矩提升 |
自動轉矩提升,手動轉矩提升0.1%~30.0% | |
|
V/F曲線 |
四種方式:1種用戶設定V/F曲線方式和3種降轉矩特性曲線方式(2.0次冪、1.7次冪、1.2次冪) | |
|
加減速曲線 |
三種方式:直線加減速、S曲線加減速及自動加減速方式;四種加減速時間,時間單位(分/秒)可選,最長60小時 | |
|
直流制動 |
直流制動開始頻率:0.20~60.00Hz; 制動時間:0.0~30.0秒; 制動電流:G型:0.0~100.0% P型:0.0~80.0% | |
|
點動 |
點動頻率范圍:0.20Hz~50.00Hz;點動加減速時間0.1~60.0秒可設,點動間隔時間可設 | |
|
多段速運行 |
通過內置PLC或控制端子實現多段速運行 | |
|
內置PI |
可方便地構成閉環控制系統 | |
|
自動節能運行 |
根據負載情況,自動優化V/F曲線,實現節能運行 | |
|
自動電壓調整(AVR) |
當電網電壓變化時,能自動保持輸出電壓恒定 | |
| 自動限流 | 對運行期間電流自動限制,防止頻繁過流故障跳閘 | |
| 自動載波調整 | 根據負載特性,自動調整載波頻率;可選 | |
|
客戶化功能 |
紡織擺頻 | 紡織擺頻控制,可實現中心頻率可調的擺頻功能 |
| 定長控制 | 到達設定長度后變頻器停機 | |
| 下垂控制 | 適用于多臺變頻器驅動同一負載的場合 | |
| 音調調節 | 調節電機運行時的音調 | |
| 瞬停不停機控制 | 瞬時掉電時,通過母線電壓控制,實現不間斷運行 | |
|
捆綁功能 |
運行命令通道與頻率給定通道可以任意捆綁,同步切換 | |
|
運行功能 |
運行命令通道 |
操作面板給定、控制端子給定、串行口給定,可通過多種方式切換 |
|
頻率給定通道 |
數字給定、模擬電壓給定、模擬電流給定、脈沖給定、串行口給定,可通過多種方式隨時切換 | |
|
輔助頻率給定 |
實現靈活的輔助頻率微調、頻率合成 | |
|
脈沖輸出端子 |
0~50kHz的脈沖方波信號輸出,可實現設定頻率、輸出頻率等物理量的輸出 | |
|
模擬輸出端子 |
2路模擬信號輸出,分別可選0/4~20mA或0/2~10V,可實現設定頻率、輸出頻率等物理量的輸出 |



